主要结构和特征:
滚筒:φ50*1.5mm 双链轮滚筒,两端轴承为免维护深沟球轴承,筒体材料为碳钢镀锌。
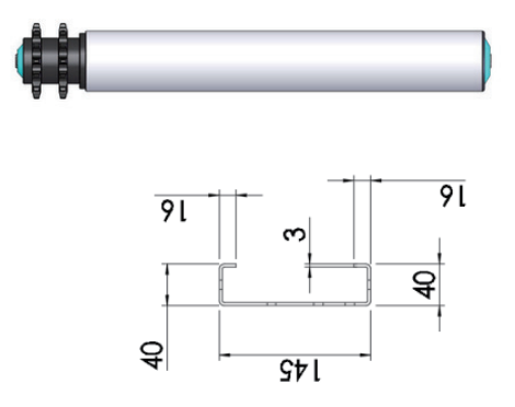
机架:采用3mm钢板激光切割下料/钻孔,数控冷轧成型,尺寸:145*40*16mm;截面尺寸如图所示:

支腿:采用定制型材焊接式,具有牢固,稳定性好等优点。用连接板与机架螺栓连接,调节脚底座与地面连接,输送面高度调节±50mm,结构如图所示:

驱动装置:SEW/NORD/JSCC电机驱动。

主要性能及其参数
形式描述:
● 双链轮滚筒传动/φ50×1.5mm
● 滚筒筒体 Q235/201/304
● 滚筒间距按照08B链条节距计算
● 机架型钢 125×40×3mm
● SPG/SEW/NORD内置电机
| 标准样式 | |
| 标准 | 描述 |
| 长度L(mm) | L ≤ 4400 |
| 高度H (mm) | H(min)≥400 |
| 内宽B (mm) | 350 ≤ B ≤ 800 |
| 电机功率P (kw) | 0.032/输送机长度L(mm) <1500 0.06 输送机长度L(mm) <2500(空箱) 0.2/输送机长度L(mm) ≤3500 0.25 输送机长度L(mm) ≤4400(空箱) |
| 输送速度V (m/min) | V=20 V=25 V=32 V=55 |
| 输送能力(Kg/m) | Max ≤150 |
| 辊筒间距P (mm) | P = 12.7*n( n ≥ 7 ) |
车制辊筒的优点主要包括:结构合理、精度高、噪声低、转动灵活、外观美观、经济实用。···...
锥形滚筒的稳定运行对于生产过程的顺利进行和产品质量的保证非常重要。为了保障锥形滚···...
车制辊筒是一种用于卷取、定位和支撑钢板材料的设备,广泛应用于制造业中的冶金、造船···...
即便是相同品牌的不同型号的输送滚筒因为再设计理念上、再材质选择上、在生产工艺上、···...
在许多领域或工作中,都会运用到滚筒,而这样的滚筒有动力滚筒,还有无动力滚筒等,不···...
无动力滚筒分为三种类型的,分别是铣扁式的无动力滚筒,内牙式无动力滚筒和弹压式的无···...